В корзине пусто!
Отправить другу:

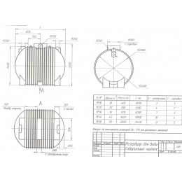
Подземные емкости - это герметичные резервуары для скопления и хранения стоков или жидкостей. Любая подземная емкость по мере его заполнения требует откачки. Подземные емкости еще называют накопителями. Емкости используются как правило, там, где запрещен сброс любых стоков или регионах с плывунами, или нет возможности организации полей орошения и последующей почвенной доочистки, либо для накопления воды на участке.